THDP0200高压差分探头在旋变传感器测试中的应用
THDP0200高压差分探头在旋变传感器测试中的应用。THDP0200高压差分探头是用来测量没有接地的两个测试点之间的电压之间的差,高电压差可以达到6000V的信号。由于高压差分系列的探头具有共模抑制的能力,因此在很大程度上是进行无接地、浮动或隔离测量的优选。带宽可高200MHz,高达6000V的差分(DC+pk AC)和高达2300V公共电压 (RMS)和探头负载,并是少有获得第三方安全认证(UL、CSA、ETL)的产品,可以支持不同动态范围和测量分辨率要求的高中压产品,具有好广泛的探头附件。
旋转变压器传感器的作用是检测转子位置信号,并将信号转换成电信号给控制器解码,得到转子转速。旋转变压器传感器因其适应性强、可靠性好而广泛应用于电机中,特别是在新能源汽车中,电机中的高频噪声越来越多,如何准确观察信号是否受到干扰,如何分析噪声成分,如何处理噪声问题?今天就来谈谈旋转变压器传感器的噪声测试与分析,如何确定噪声是真实的还是由探头引入的?我们先来看看下面的截图。

这是由两种不同的探头分别对SIN和COS信号进行测试,从这张图上面可以看到C1和R1测到的信号明显要比C2和R2的信号更干净,这是因旋变信号由于其特殊位置导致其很容易受到电机复杂电磁环境的干扰,尤其是共模干扰,因为SIN和COS都是通过差分走线,所以差分的干扰很容易被消除,共模干扰不容易被消除,所以为了能够更真实的观察其共模干扰到底是不是真实存在的,就需要使用共模抑制比更高的探头来进行测试,差分探头的共模抑制比一般比单端探头好很多,但是不同的差分探头也不一样,比较以下两种差分探头的共模抑制比。
| 品名 | 衰减 | 差分电压 | 共模电压 | 好大输入对地电压 | 带宽 | 上升时间 | 压摆率 | 探头端部的输入阻抗 | 典型的 CMRR |
| TMDP0200 | 25X/250X |
250X:±750V 25X:±75V |
±750V |
550V CAT I 300V CAT III |
200MHZ | <1.8ns | <275V/ns,1/250gain | 5MΩ||<2pF |
直流:>-80dB 100KHz:>-60dB 3.2MHZ:>-30dB 100MHZ赫:>-26dB |
| THDP0200 | 50X/500X |
500X:±1500V 50X:±150V |
±1500V |
1000V CAT II 600V CAT III |
200MHZ | <1.8ns | <650V/ns,1/500gain | 10MΩ||<2pF |
直流:>-80dB 100KHz:>-60dB 3.2MHZ:>-30dB 100MHZ:>-26dB |
| THDP0100 | 100X/1000X |
1000X:±6000V 100X:±600V |
±6000V |
2300V CAT I 1000V CAT III |
100MHZ | <3.5ns | <2500V/ns,1/1000gain | 40MΩ||<2.5pF |
直流:>-80dB 100KHz:>-60dB 3.2MHZ:>-30dB 100MHZ:>-26dB |
从两张图中可以看到下面这个探头明显共模抑制比更高。



在面对共模干扰问题比较大的环境中测量的时候,更能真实反映出真正的信号质量,而不需要通过猜测去判断到底是探头的问题?还是信号本来的问题?那当用户知道信号有噪声的时候,噪声频率成分是什么样的呢?为了判断信号频率成分一般能够想到的办法就是通过FFT来进行分析,但是FFT由于其原理限制,导致会有天生的缺陷,比如分析频率范围只有采样率一半,频率分辨率受记录长度影响,这就导致用户在进行频域分析的时候需要将时间档位设置很大才能处理,如下图所示:



从上图可以很明显的看到不同记录长度下的频率分辨率,记录长度越大,分辨率越高,这些影响因素会极大的提高了用户进行频域分析的难度,而目前好方便的方式就是在前端采集之后就进行数字下变频,然后进行正交转化。

通过测试终得到频谱,这样用户就可以知道CF,SPAN,RBW都可以不受采集波形长度和采样率影响;可以对时频域进行联调,也可以对调制域进行分析。用户通过这个全新的方法来进行分析的效果如何呢,下面的截图可能看起来会更清楚,更明白了。

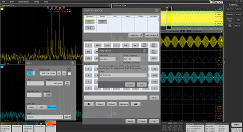
通过上面的截图用户不仅可以同时观察两路的频谱,还可以通过移动波形下方的黄色方框,来分析不同时刻的频谱,从而知道信号在不同状态下的噪声频谱状况和对调制信号进行解调。一旦通过频谱分析找到了信号做具有的噪声成分之后,用户就可以利用示波器自带的滤波器对信号进行有针对性的滤除,这样就不需要工程师来实际搭建滤波器电路,就可以知道滤除效果,从而帮助工程师快速开发合适的滤波电路。可以通过以下两种方式来实现,靠前种如下图所示:利用软件生成滤波文件,在示波器上面加载滤波文件,即可对信号进行滤波。


第二种方式可以直接使用示波器自带的任意滤波器进行滤波,所以用户在做信号噪声分析的时候都可以采用1. 用合适探头观察到真实信号;2. 利用SPECTRUM view进行信号解析,知道噪声成分;3. 利用噪声成分设计合理的滤波器以上三步来进行处理。
THDP0200高压差分探头和P5205A高压差分探头是有源的差分探头,即使需要测量的差分电压在±1500V的高压,也是有安全保证的。这些探头在测量IGBT电路(如电机驱动器和电源转换器)时非常有效。THDP0200可支持的200MHz的带宽和高达275V/ns的压摆率,增益为1/250。TMDP和THDP系列探头配备了TekVPI的通信接口,探头可以通过接口与示波器相连接,进行测量及传输数据。按下探头菜单按钮将在示波器显示屏上启动探头控制菜单,此类探头适用于在TekVPI示波器上运行,不需要TPA-BNC适配器。
文章来源于测试仪器




