川仪 ZZYN自力式压力调节阀
ZZYN自力式压力调节阀 采用外取压结构,能依靠介质自身压力变化达到自动调节和稳定压力的目的。该产品较大特点,能在无电、无气的场所工作,是一种节能产品。 ZZYN自力式压力调节阀 压力设定值可在运行中随意调整。常规产品采用快开流量特性,亦可采用线性、等百分比流量特性。 ZZYN自力式压力调节阀 动作灵敏,减压比一般情况下较大可达10,很小为1.25,广泛应用于石油、化工、电力、冶金、食品、轻纺、居民楼群等各种工业设备中清洁度不高......
产品描述

ZZYN自力式压力调节阀采用外取压结构,能依靠介质自身压力变化达到自动调节和稳定压力的目的。该产品较大特点,能在无电、无气的场所工作,是一种节能产品。ZZYN自力式压力调节阀压力设定值可在运行中随意调整。常规产品采用快开流量特性,亦可采用线性、等百分比流量特性。
ZZYN自力式压力调节阀动作灵敏,减压比一般情况下较大可达10,很小为1.25,广泛应用于石油、化工、电力、冶金、食品、轻纺、居民楼群等各种工业设备中清洁度不高的气体、液体、蒸汽等介质,高压差△P≥1Mpa和DN≤100以及DN>100工况下减压、稳压(用于控制阀后压力),或泄压、稳压(用于控制阀前压力)的自动控制。
ZZYN自力式压力调节阀系列分为阀后式ZZYN-B和阀前式ZZYN-K两种。
ZZYN自力式压力调节阀规格
阀体形式类型:ZZYN
公称通径公称通径:DN25〜300毫米,G1”〜12”
额定CV值额定CV值:13〜2259
公称压力压力等级:PN16〜64MPa,ANSI150〜600,JIS10〜30K
流体温度流体温度:-5〜+350℃
压力范围压力范围:15〜1 000千帕斯卡
调节精度:±5%
连接方式末端连接:法兰型Flanged:RF
阀体材质:SCPH2/ WCB,SCS13A/ CF8,SCS14A/ CF8M
阀芯材质:SUS304,SUS316
阀座材质座椅材料:SUS304,SUS316
可调比可调比:30:1
流体特性流动特性:快开ON-OFF
阀座泄漏量泄漏:小于额定容量的0.1%
执行机构执行器:薄膜式,气缸式
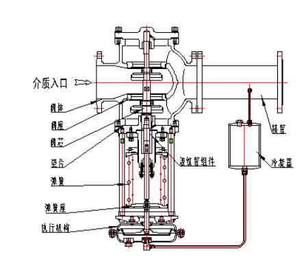
ZZYN自力式压力调节阀阀体结构

本文来自仪器仪表



