交直流耐压绝缘测试仪说明书
交直流耐压绝缘测试仪说明书是根据现在大家常需要使用的耐压测试仪所给大家做一个说明书,现在的话,我们用致新的ZX9501F耐压测试仪这个型号来个给大家做一个大致的一个说明,因为这款ZX9501F是非常特别的,那么特点在什么地方,特别在它是一款定制的耐压仪,但是功能很全,加上好用,所以用这个给大家做个说明。 仪器面板概述 现在我们讲ZX9501F系列仪器的前后面板特征。在使用仪器之前,请详细阅读本章内容,以便可以很快掌握该仪器的操作。......
产品描述
交直流耐压绝缘测试仪说明书是根据现在大家常需要使用的耐压测试仪所给大家做一个说明书,现在的话,我们用致新的ZX9501F耐压测试仪这个型号来个给大家做一个大致的一个说明,因为这款ZX9501F是非常特别的,那么特点在什么地方,特别在它是一款定制的耐压仪,但是功能很全,加上好用,所以用这个给大家做个说明。

后面板说明


绝缘电阻测试0.050kV到1.000kV(1V的分辨率)/0.1MΩ到10.0GΩ,较大额定电流ZX9501/S为10mA,ZX9501B为5mA。
绝缘电阻测试范围
电压小于500V时:0.1MΩ~1GΩ精度为±[10%读数+5个字]
电压大于500V时:0.1MΩ~1GΩ范围精度为±(5%读数+5个字),1GΩ~10GΩ范围
度为±(10%读数+5个字),10GΩ~50GΩ范围精度为±(15%读数+5个字)
开短路检测:启动高压之前先判定测试被测件连接是否可靠,保证高压测试准确安全。开短路检测可以判别100pF以上的分布阻抗电流,小于这个值时,仪器的电流采集电路分辨率无法准确分辨开路和测试元件的连接。
RS-232C界面作为标准
除了电源转换、键锁等功能外,其他的都可以进行远程控制。在直流耐压测试,交流耐压测试,绝缘电阻测试中测试电压,判断功能,测试时间等测试条件都能被远程控制。测试结果也能通过远程控制从仪器读取。USB和RS-232C界面提供和PC或者其他设备之间稳定统一的标准测试界面。
方便连接控制的PLC、HANDLER接口PLC、HANDLER接口:可以输入START、STOP、INTERLOCK信号,输出TEST、PASS、FAIL信号。可以很方便的与脚踏开关连成脚控,与简易测试夹具连接实现安全互锁、气动控制、测试指示等等。
用来备份的USB接口,仪器配有USB接口,它可以将仪器编写的测试方案和客户计量文件保存到外部U盘,或者从U盘内调入仪器,方便批量设定仪器的使用参数和存档方案。
高压扫描仪实现灵活控制功能
ZX9501S有内置多路扫描功能。在耐压测试和绝缘电阻测试中可以控制八个通道测试八个测试点。每个通道都可以被控制为HI(高压)/LO(低端)/OPEN(开路)状态。
测试等待时间设定
可以设定测试等待时间0.1s到999.9s,分辨率0.1s。在这段时间里仪器会输出TEST控制信号,用以控制外部设备保证测试连接可靠,然后再启动高压测试过程。
上升时间控制功能,在交流耐压测试,直流耐压测试和绝缘电阻测试时,测试电压能缓慢的上升到设定的值,而不是在开始测试后就立即提供设定的电压到被测件上。电压上升时间0.1s到999.9s,分辨率0.1s。ZX9501F系列符合UL的各种测试标准和IEC的耐压测试标准(初始电压小于测试电,压的一半而且在达到设定的测试电压时可以指定上升时间)。跌落时间控制功能在交流耐压测试中的合格判断中,测试电压能逐步减小。电压跌落时间可以设定在0.1s到999.9s之间,分辨率0.1s。
放电功能
通常情况下被测件呈容性。在直流耐压测试和绝缘电阻测试被切断的瞬间,被测件保持着充满电的状态,因此有触电的危险。该系列仪器具有在直流耐压测试和绝缘电阻测试完成后对被测件的强制快速放电功能。
增强的安全性,为了提高安全,该系列仪器配有许多设施和安全功能,包括安全输出端、放电功能和防电墙。所谓防电墙就是当高压测试电路通过外壳的回流电流大于0.5mA就切断高压输出。即使用户关闭此功能,当地线电流超过70mA以上也会触发此保护。保证即使启动了高压也不会对测试人员有很大的危险。较高的测试精度,该系列仪器电压数显,在耐压测试时电压测试精度为±(1%读数+5V),在绝缘电阻测试时电压精度为±(1%读数+2V)。在耐压电流测试时的精度为±(1%读数+5个字)。
电流清零功能,交、直流耐压测试要求高灵敏度和高电压,流过测试线和夹具的杂散电容的电流会使测试不准确。该系列仪器具有电流清零功能,以此抵消电流偏移。
提示:在测量页面按复位键(RESET键),仪器将保存当前的设置条件,供下次开机调用。
面板按键的基本功能说明:
TEST(测试键):让仪器进入测试等待状态,准备启动高压测试。
SETUP(设定键):修改当前测试方案、测试项目、测试参数的界面。关于测试方案
的修改都在这个界面里完成。(开机默认进入这个界面)
SYSTEM(系统键):测试安全和仪器工作模式相关的设定。
FILE(文件键):测试方案的保存和调出界面,与数据存储器相关。
(方向键):可以使光标在各参数之间自由移动。
屏幕右边软键:
和功能显示区的内容配合,实现对光标选中对象的修改。
测量设置
系统




本节以测试过程为顺序,介绍有关接地连接、地线电流检测、电弧侦测等测试的原理与使用。
启动测试
仪器在测试模式下,核对测试条件、被测件连接正确后,按下START键即可启动测试。启动后根据SYSTEM的设定STARTDLY进行时延,然后正式开始测试。
接地连接测试
接地连接一般是在测试设备时使用,此时测试低端一般需要连接到设备的接地端(外壳),用户判断测试低端对地连接是否可靠。如果测试低端连接不可靠,在测试过程中被测设备外壳将带高压电,很可能引起操作员意外触电。高压测试端,接连接到被测设备的需要打耐压的接线端测试低端,接待测设备的接地测试点接地检测输出端,接仪器外壳的其他连接端(比如螺丝头)。
设定接地连接测试有效,测试时间用户指定。
启动测试,仪器会首先执行接地检测,从接地检测输出电流,流过如图标箭头线路回到测试低端。
如果在设定时间内测试电路连接正常(以环路电阻<1欧姆为正常),仪器会认为接地检测通过,可以接续测试。
如果测试电路不同(以环路电阻>1欧姆为不通),仪器会退出测试,显示接地连接出错(GRFAIL)。
注1:接地导通参数设定是SYSTEM界面的GRCONT(接地检测)。
注2:为了测试方便,将测试低端和接地检测端直接连接在一起,然后再连接到被测件,以实现接地导通测试,会给其他操作员以虚假的安全提示,比不用此功能的测试危险更大。
电压上升
有些被测件特性对电压的突变比较敏感,需要使用此功能。仪器开始输出时输出电压为零,开始电压输出时,仪器会以0.1S为单位控制输出电压上步进升,步进升压值根据测试电压和电压上升时间确定(ΔV=V/(10*S))。如果关闭电压上升时间(RISEOFF)默认电压上升时间为0.1秒。
DC充电电流检测
主要用来判断被测件连接可靠。被测件一般呈容性,DC模式在电压上升时间(即测试开始时)分步电容会有一个充电过程,此时的电流远远大于设定的被测电流。充电电流在充满时会很快变小,判断有无充电电流就可以判断被测件是否连接可靠。使用此功能时要设定测试等待时间大于充电时间以免误判。
高压测试
对被测件进行高压测试。通过上述几步应该可以保证测试电路正确,测试结果不会受一些特殊的附带参数影响,此时测到的是实际耐压电流。
测试电压下降
同测试电压上升,由被测件的特性决定。高压测试结束电压下降时,仪器会以0.1S为单位控制输出电压下降,步进降压值根据测试电压和电压下降时间确定(ΔV=-V/(10*S))。如果关闭电压下降时间(FAILOFF)默认电压下降时间为0.1秒。
防电墙功能
地线电流检测是检测流过仪器外壳的电流,防止触电。当高压输出时,有电流从电压输出端经过人体回流到仪器外壳,可能引起非常严重的后果。仪器的地线电流检测判断电路响应说明:
当地线电流检测启用,地线电流大于0.5mA判断为触电。
当判断触电时仪器会在0.3S内结束高压输出,退出测试状态,并显示(GFIFAIL)。
注:地线电流达30mA时,如果确实是触电的话,情况已经是非常严重了,会引起操作人员昏迷或死亡。所以在产品允许的情况下建议开启地线电流检测使用。
电流超限与电弧侦测(ARC)功能
电流超限分类:电流下限、电流上限、电流量程超限、电弧侦测。
电流下限判断(LOW):一般做为测试低端断开判断使用。当仪器测试设备时,设备肯定会有一定的漏电流,当仪器测试的漏电流小于下限设定电流值时认为测试失败(没有连接设备)如果被测元件本身漏电流很小则必须关闭此功能。超限时判断显示(LOWFAIL)电流上限判断(HIGH):很常用的测试电流超限判断。当仪器测试设备时,设备肯定会有一定的漏电流,当仪器测试的漏电流大于上限设定电流值时,认为设备耐压不够测试失败。
超限时判断显示(HIFAIL)电流量程超限:电流采样判断较慢,绝缘崩溃时电流变化较快采样电路无法及时作出反映,而电流峰值已经超过了上限电流所在的电流量程的测试范围,则会触发此类超限判断。由于电流超限后无法采集数据,此时的输出结果为合格时的很后一次测试结果,超限时判断显示(RANGFAIL)真实电流上限判断(REAL):一般情况被测设备是容性的,而测试电压为交流时电容本身会流过一定的电流,当电路的容性值的允许范围很大,容性电流大小又和测试结果无关时,可以选用真实电流判断,它只判断电流中和电压同相位的电流的大小,与容性电流无关。超限时判断显示(REALFAIL)。电弧侦测(ARC):是面向元件测量的一个很实用的功能,它测试的是高压测试回路中有局部电路瞬间打火引起的电流突变。
由于叠加在正常的测试电流上,突变时间较短,以上的普通电流检测电路无法响应电流变化作出合适的判断。电弧侦测电路滤除了正常电流值,只处理高速的电流脉冲变化。由于低通滤波和电弧的大小本身带有随机性,此功能只能大概估计局部打火的程度。由于电流超限后无法采集数据,此时的输出结果为合格时的很后一次测试结果,超限时判断显示(ARCFAIL)。
测试结果处理
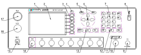
仪器面板概述
现在我们讲ZX9501F系列仪器的前后面板特征。在使用仪器之前,请详细阅读本章内容,以便可以很快掌握该仪器的操作。
前面板说明

1.1商标及型号
厂家商标及型号
1.2 LCD液晶显示屏
800×480LCD液晶显示屏,显示设置界面,测量界面等。
1.3软键区域
F1-F6对应 LCD右侧的功能操作区域。该区域被用于显示软键的功能定义。软键的定义随光
标所在的位置的不同而具有不同功能的定义。
1.4文件快捷键
按此键进入文件管理页面。
1.5指示灯区域
在测试中,出现超出设定的测试数据,仪器判断测试不合格,FAIL判断灯亮。
PASS
测试结束后,没有发现超出初始设定的测试数据,仪器判断测试合格,PASS判断灯亮。
在测试定时功能关闭情况下(TIME OFF),测试只能用‘STOP’结束,没有 PASS判断。
1.6方向键
用于光标在屏幕上的移动。
1.7数字输入键
用于在设定时输入数字。
1.8 USB接口
用来连接 U盘。
1.9测试低端 (LOW /RET)
测试的电流采样端、电压低端。
1.10高压输出端(HV)
高压测试接口的高压输出端
1.11高压危险指示灯
DANGER!!只要正在测试这个灯就会亮,指示测试正在进行中,提示”高压危险”。
1.12设置快捷键
在参数设置页面,按“步骤”、“功能”或“通道”键,可以让光标迅速返回到对应的光标位置,
便于快速设置。
1.13功能区域
选择测试模式设定,系统设定,文件操作界面。
TEST
按该键,仪器进入准备测试状态。
SETUP
按该键,仪器进入参数设定界面;
SYSTEM
按该键,显示系统设定界面(SYSTEM);
1.14多通道及通道指示灯
仅带多通道扫描功能的仪器具有此项。
从左到右,依次为通道1~通道8。
每个通道的上面有一双色指示灯。当该通道被设定为高压输出端时,测试时该通道指示灯为红色;当该通道被设定为低端时,测试时该通道指示灯为绿色。
1.15电源开关(POWER)
电源开关。操作员首次开机前注意检查仪器电源类型及测试线连接是否正常。
1.16测试中止、复位键
STOP键(红色):停止键,用来中止测试;也可以用来取消PASS、FAIL等提示状态。
1.17高压测试启动键
START键(绿色):用来启动测试,一旦测试开始,DANGER指示灯亮。

2.1 PLC控制器接口
用来连接可编程控制器,其中有:
INTERLOCK:输入本机的联机锁定信号,断开时本机不允许启动输出
TEST:仪器启动高压输出时本机输出的同步信号
START:输入本机的启动信号,用来启动高压输出,相当于前面板的 START按键
RESET:输入本机的复位信号,用来停止高压输出,相当于前面板的 STOP按键
PASS:本机输出的合格信号,相当于前面板的 PASS指示
FAIL:本机输出的不合格信号,相当于前面板的 FAIL指示
2.2 TEST信号输出控制
TEST信号输出模式控制,可输出 24V电平或继电器开关信号。
注意:建议使用开关信号保证信号隔离,此时开关应拨到有开关符号的一端。
仪器出厂默认该开关拨到有开关符号的一端。
2.3接地导通测试接口(CONT. CHECK)
接地导通电流输出接口。当打开接地导通测试功能时,必须将此端口用连接线连接到被测设备的
某一点(如螺丝头),且该点与测试低端连接电阻约 1欧姆。
2.4电磁阀电源接口
直流电压输出端,输出电压为 24V,为电磁阀提供工作电压和控制信号。
2.5 HANDLER接口
接口信号同 PLC接口相比少了 INTERLOCK功能,其他功能完全相同。用 9芯 D型插座输出线
比 PLC接口方便。适合多台仪器通用控制电路连接。
2.6 IEEE488 (GPIB)并行通讯接口(选件)
提供仪器与外围设备的通用通讯接口
2.7 SCANNER接口(选件)
用来连接常州致新精密的多路测试仪,实现多路测试。
2.8 USB DEVICE接口(选件)
用于与电脑进行通讯的 USB接口
2.9 RS232C串行接口
串行通讯接口,实现与电脑通讯。
2.10保护地端子
用来连接仪器公共地到大地。注意:本仪器不要在没有连接大地就使用,否则仪器可能工作不正
常,而且有触电的危险。
2.11电源插座
用于输入交流电源,请使用仪器自带的电源线和电源保险丝,针对输入电源更换对应的保险丝。
2.12高压输出和测试低端接口(选件)
备用高压输出接口,在客户特殊需要时可选择加装。
备用高压测试接口的测试低端,在客户需要时可选择加装。
2.13仪器件号
仪器出厂件号
2.14接地导通校准
接地导通电阻 1欧姆,如果有偏差用此电位器调整。
2.15线性电压范围选择
输入电压范围选择开关。
注意:选择的电压范围一定要与输入电压适应,否则会损坏仪器。
2.16风扇散热口
功放电路散热口,注意要保留空气流通的空间。
仪器性能概述
ZX9501S可以提供 5kVAC/100mA耐压、6kVDC/15mA耐压、绝缘电阻测试。可以提供 5kVAC/30mA耐压、6kVDC/10mA耐压、绝缘电阻测试,自带扫描测试功。
ZX9501C可以提供5kVAC/20mA耐压、6kVDC/5mA耐压测试、绝缘电阻测试。可以提供 5kVAC/20mA耐压测试。
仪器的原理结构:高压模块是一个DA基准、可控正弦发生器、AB类功放、40~600Hz高压变压器升压,输出电压闭环控制。
DA基准:保证输出电压幅值可控。
可控正弦发生器:在交流输出时可以设定工作在 50或 60Hz,不再受线电压限制;
线性功放:电压波形的失真度小,控制简单可靠性高。
40~600Hz高压变压器升压:针对DC和绝缘电阻测试的电源纹波大的问题,测试仪器600Hz交流电源,整流后形成直流电压作为电源,保证了直流电源纹波远小于以前的调压器型老耐压仪。
输出电压闭环控制:保证负载调整率很小,测试数据可靠。
ZX9501F系列不仅可以独立的进行交流耐压测试、直流耐压测试、绝缘电阻测试,而且可以通过测试方案的项目设定,进行多项目顺序测试。ZX9501F系列都配有 HANDLER、RS-232C,使得仪器能适应多种不同的需要高安全性和
可靠性的自动测试系统。
特点
四个测试功能—交流耐压测试,直流耐压测试,绝缘电阻测试,开短路检测ZX9501F/S/B提供交、直流耐压测试和绝缘电阻测试。
ZX9501C提供交流耐压测试。当连上负载,通过编辑测试方案,仪器能连续的进行多参数测试。
交流耐压测试5kV/100mA(ZX9501F/S), 5kV/20mA(ZX9501B/C)ZX9501F的高压模块是AB类功率放大电路和一个500VA的高压变压器,实AC/5kV/100mA的输出(较大 1分钟);
而ZX9501B/C功率放大电路和一个100VA的高压变压器,实现5kV/20mA(较大 1分钟)的输出。波形的失真度小于3%。由于ZX9501F有高达上限电流100mA,很小电压50V,仪器产生和 50Hz/60Hz一致的测试电压,独立的电源,自动电压调整率小于±(1%+10V)。当设定好测试电压后就不需要再调整输出电压了。

绝缘电阻测试0.050kV到1.000kV(1V的分辨率)/0.1MΩ到10.0GΩ,较大额定电流ZX9501/S为10mA,ZX9501B为5mA。
绝缘电阻测试范围
电压小于500V时:0.1MΩ~1GΩ精度为±[10%读数+5个字]
电压大于500V时:0.1MΩ~1GΩ范围精度为±(5%读数+5个字),1GΩ~10GΩ范围
度为±(10%读数+5个字),10GΩ~50GΩ范围精度为±(15%读数+5个字)
开短路检测:启动高压之前先判定测试被测件连接是否可靠,保证高压测试准确安全。开短路检测可以判别100pF以上的分布阻抗电流,小于这个值时,仪器的电流采集电路分辨率无法准确分辨开路和测试元件的连接。
RS-232C界面作为标准
除了电源转换、键锁等功能外,其他的都可以进行远程控制。在直流耐压测试,交流耐压测试,绝缘电阻测试中测试电压,判断功能,测试时间等测试条件都能被远程控制。测试结果也能通过远程控制从仪器读取。USB和RS-232C界面提供和PC或者其他设备之间稳定统一的标准测试界面。
方便连接控制的PLC、HANDLER接口PLC、HANDLER接口:可以输入START、STOP、INTERLOCK信号,输出TEST、PASS、FAIL信号。可以很方便的与脚踏开关连成脚控,与简易测试夹具连接实现安全互锁、气动控制、测试指示等等。
用来备份的USB接口,仪器配有USB接口,它可以将仪器编写的测试方案和客户计量文件保存到外部U盘,或者从U盘内调入仪器,方便批量设定仪器的使用参数和存档方案。
高压扫描仪实现灵活控制功能
ZX9501S有内置多路扫描功能。在耐压测试和绝缘电阻测试中可以控制八个通道测试八个测试点。每个通道都可以被控制为HI(高压)/LO(低端)/OPEN(开路)状态。
测试等待时间设定
可以设定测试等待时间0.1s到999.9s,分辨率0.1s。在这段时间里仪器会输出TEST控制信号,用以控制外部设备保证测试连接可靠,然后再启动高压测试过程。
上升时间控制功能,在交流耐压测试,直流耐压测试和绝缘电阻测试时,测试电压能缓慢的上升到设定的值,而不是在开始测试后就立即提供设定的电压到被测件上。电压上升时间0.1s到999.9s,分辨率0.1s。ZX9501F系列符合UL的各种测试标准和IEC的耐压测试标准(初始电压小于测试电,压的一半而且在达到设定的测试电压时可以指定上升时间)。跌落时间控制功能在交流耐压测试中的合格判断中,测试电压能逐步减小。电压跌落时间可以设定在0.1s到999.9s之间,分辨率0.1s。
放电功能
通常情况下被测件呈容性。在直流耐压测试和绝缘电阻测试被切断的瞬间,被测件保持着充满电的状态,因此有触电的危险。该系列仪器具有在直流耐压测试和绝缘电阻测试完成后对被测件的强制快速放电功能。
增强的安全性,为了提高安全,该系列仪器配有许多设施和安全功能,包括安全输出端、放电功能和防电墙。所谓防电墙就是当高压测试电路通过外壳的回流电流大于0.5mA就切断高压输出。即使用户关闭此功能,当地线电流超过70mA以上也会触发此保护。保证即使启动了高压也不会对测试人员有很大的危险。较高的测试精度,该系列仪器电压数显,在耐压测试时电压测试精度为±(1%读数+5V),在绝缘电阻测试时电压精度为±(1%读数+2V)。在耐压电流测试时的精度为±(1%读数+5个字)。
电流清零功能,交、直流耐压测试要求高灵敏度和高电压,流过测试线和夹具的杂散电容的电流会使测试不准确。该系列仪器具有电流清零功能,以此抵消电流偏移。
基本操作
仪器界面结构概述
本章描述了耐压和绝缘电阻测试的操作步骤。仪器的界面结构示意如下:

仪器的界面切换可以直接用四个功能键来直接切换,它们是测量显示(TEST)、测量设置(SETUP)、系统界面(SYSTEM)、文件处理(FILE)下面分别介绍界面的功能。
界面说明:
1.界面结构靠前列是以面板功能按键调用的初始状态为标准编写(具体界面参数在 4.2、4.3节的有详细说明)。TEST界面不能修改参数。
2.界面结构第二列是初始界面的参数结构。例如 SETUP界面默认STEP01/01:方案步骤 1,总步数1;AC:交流耐压测试界面;AC参数:其他的参数为交流耐压的测试参数。
界面结构第三列是功能切换界面,第二个界面里选中有些功能标识时,可以改变这些功能,此界面的相关参数会改变。如将 AC改为 DC,仪器将改变交流耐压测试模式为直流耐压测试模式,当前界面的‘AC参数’会变为直流耐压需要设定的‘DC参数’。
ZX9501系列交直流耐压绝缘测试仪使用说明书
功能界面和参数说明
本节介绍仪器的功能界面和相关参数。以指导用户了解仪器的功能和使用。
仪器初始状态说明
1、开机后,系统默认进入的是上次关机前很后一次使用的测量设定条件。
2、仪器出厂设定为单步、交流耐压、默认参数状态。如下图
3、默认界面的默认光标是步骤。

提示:在测量页面按复位键(RESET键),仪器将保存当前的设置条件,供下次开机调用。
面板按键的基本功能说明:
TEST(测试键):让仪器进入测试等待状态,准备启动高压测试。
SETUP(设定键):修改当前测试方案、测试项目、测试参数的界面。关于测试方案
的修改都在这个界面里完成。(开机默认进入这个界面)
SYSTEM(系统键):测试安全和仪器工作模式相关的设定。
FILE(文件键):测试方案的保存和调出界面,与数据存储器相关。
(方向键):可以使光标在各参数之间自由移动。
屏幕右边软键:
和功能显示区的内容配合,实现对光标选中对象的修改。
测量设置
ACW
当前测试步骤工作模式为交流耐压。
当前测试项目工作模式为交流耐压,光标在这个位置时可以通过 F1~F4切换到 DCW、IR、OS项目。
注意:为了使用方便,在此界面按‘START’键可以直接进入测试界面,并同时按照当前设定的测试方
案开始测试。
如果可能出现误触发‘START’的操作,请在修改参数前拔出 INTLOCK跳线,以免发生危险。
测试
测试
1、在这个界面里可以启动高压对被测元件进行高压测量,它的测试参数必须在设定界面进行详细正确的设定。
2、在此界面按(方向键)可以快速切换到设定(SETUP)界面。
启动测量后仪器面板中间,用大字体显示三个数据。在测试中显示实时的测试数据,测试结束后没按 STOP键前显示的是上次测试的结果。
上面的一个是高压输出电压,耐压以千伏(kV)为单位。
中间的一个是测试低端的被测电流,以毫安(mA)、微安(uA)为单位。
下部的一个是高压测试时相应步骤剩余时间。如果用户关闭了测试时间,测试时间显示的是进入测试状态后的时间,此时间大于 999.9s后不再时间计数。用户可直观的分析被测对象的测试情况。以秒(s)为单位。
系统
系统界面是设定一些和具体测试元件参数无关,但与仪器进行测试的方案相关的设定。
界面如下


界面结构说明:
每个文件对应文件序号、文件名称、该文件包含的测试总步数、文件描述、文件创建时间。
文件描述提示该文件的第 1个项目的功能类型、测试电压。
每个文件操作对应如下菜单:
加载
保存
复制
搜索
更多
退出
重命名
删除
更多
退出
下面具体介绍每个文件操作:
(1)加载
将光标移动到需要读取的文件处,点”加载”键,屏幕下方会出现提示信息”是否要加载文件?”。选
择”是”,则加载该文件;选择”否”,则取消加载。
(2)保存
点”保存”键,仪器会自动寻找空闲位置进行保存。若该文件的文件名与已保存的文件重名,则屏
幕下方会出现提示信息”是否覆盖已存在的文件?”。选择”是”,则覆盖原先存在的文件,选择”否”,
则仪器会自动在文件名后加后缀 1,然后保存文件。
(3)复制
复制用于将内部文件复制到 U盘或将 U盘文件复制到仪器。
点”复制”键,屏幕下方会依次出现以下提示信息。请根据提示信息输入相应信息。
“请输入源文件序号”:输入文件序号,按 ENTER键确认。
“请输入文件总数”:输入文件总数,按 ENTER键确认。
复制完成后,仪器屏幕下方会出现”复制完成”信息。
(4)搜索
用于根据字符串搜索文件,仪器会将包含该字符串的文件显示出来。
(5)重命名
用于更改文件名称
(6)删除
用于删除光标对应处的文件
(7)更多
用于切换到文件菜单的下一页
(8)退出
用于退出文件管理页面。

OS开短路检测测试参数设定
开短路检测(OS)测试参数说明如下:
OPEN:10%~100%
SHRT:OFF~100%~500%
STAN:以前的标准值GET
开路判定阈值和标准值的百分比
短路判定阈值和标准值的百分比
采样的标准值(见注)
获得当前的分布参数做为标准
注:1、当光标在标准值(上图)位置时,(F1)功能键位置显示(GET)。
2、此时按下(F1)功能键,仪器进入标准值采样状态。采样时仪器会输出100V电压在100毫秒内自动获得流过被测件的电流。(GET时有电压输出请注意安全)
3、此处仪器显示的电容值并不是实际电容值,而是采样到的电流经阻抗转换后的值,应该与测试端间实际安装的电容近似。(采样到的电流不仅仅是电容产生的)
OPEN SHORT值设定:满足以下必要条件时才可以设定OS功能
1.仪器没有连接被测件时测试阻抗的较大值和连接被测件时测试阻抗的较大值有明显界限,此界限为 OPEN值;
2.被测件优良时阻抗的很小值和被测件短路时阻抗的值有明显界限,此界限为SHORT值。该仪器判断 OPEN/SHORT的方法如下:
如果 OS电容测试值小于STAN* OPEN%,则判定测试线开路;
如果 OS电容测试值大于STAN* SHRT%,则判定测试线短路。
例:以 3线圈电感为例:1-2间电容约300p,1-3间电容约200p,2-3间可能短路。
1、不连接被测件,GET:STAN=100p,确定开路值;
2、多次连接良好的被测件,记录 GET数据范围:STAN=350p~450p,确定标准值;
3、短路 2-3,GET数据范围:STAN=550p~650p,确定短路值;
参数设定计算:
1、假定STAN=400p
2、OPEN值:下限=100p/400p=25%,OPEN上限=350p/400p=88%。建议取60%
3、SHORT:下限=450p/400p=112%,上限=550p/400p=138%建议取125%。
测试功能原理与使用说明
测试功能原理与使用说明

本节以测试过程为顺序,介绍有关接地连接、地线电流检测、电弧侦测等测试的原理与使用。
启动测试
仪器在测试模式下,核对测试条件、被测件连接正确后,按下START键即可启动测试。启动后根据SYSTEM的设定STARTDLY进行时延,然后正式开始测试。
接地连接测试
接地连接一般是在测试设备时使用,此时测试低端一般需要连接到设备的接地端(外壳),用户判断测试低端对地连接是否可靠。如果测试低端连接不可靠,在测试过程中被测设备外壳将带高压电,很可能引起操作员意外触电。高压测试端,接连接到被测设备的需要打耐压的接线端测试低端,接待测设备的接地测试点接地检测输出端,接仪器外壳的其他连接端(比如螺丝头)。
设定接地连接测试有效,测试时间用户指定。
启动测试,仪器会首先执行接地检测,从接地检测输出电流,流过如图标箭头线路回到测试低端。
如果在设定时间内测试电路连接正常(以环路电阻<1欧姆为正常),仪器会认为接地检测通过,可以接续测试。
如果测试电路不同(以环路电阻>1欧姆为不通),仪器会退出测试,显示接地连接出错(GRFAIL)。
注1:接地导通参数设定是SYSTEM界面的GRCONT(接地检测)。
注2:为了测试方便,将测试低端和接地检测端直接连接在一起,然后再连接到被测件,以实现接地导通测试,会给其他操作员以虚假的安全提示,比不用此功能的测试危险更大。
电压上升
有些被测件特性对电压的突变比较敏感,需要使用此功能。仪器开始输出时输出电压为零,开始电压输出时,仪器会以0.1S为单位控制输出电压上步进升,步进升压值根据测试电压和电压上升时间确定(ΔV=V/(10*S))。如果关闭电压上升时间(RISEOFF)默认电压上升时间为0.1秒。
DC充电电流检测
主要用来判断被测件连接可靠。被测件一般呈容性,DC模式在电压上升时间(即测试开始时)分步电容会有一个充电过程,此时的电流远远大于设定的被测电流。充电电流在充满时会很快变小,判断有无充电电流就可以判断被测件是否连接可靠。使用此功能时要设定测试等待时间大于充电时间以免误判。
高压测试
对被测件进行高压测试。通过上述几步应该可以保证测试电路正确,测试结果不会受一些特殊的附带参数影响,此时测到的是实际耐压电流。
测试电压下降
同测试电压上升,由被测件的特性决定。高压测试结束电压下降时,仪器会以0.1S为单位控制输出电压下降,步进降压值根据测试电压和电压下降时间确定(ΔV=-V/(10*S))。如果关闭电压下降时间(FAILOFF)默认电压下降时间为0.1秒。
防电墙功能
地线电流检测是检测流过仪器外壳的电流,防止触电。当高压输出时,有电流从电压输出端经过人体回流到仪器外壳,可能引起非常严重的后果。仪器的地线电流检测判断电路响应说明:
当地线电流检测启用,地线电流大于0.5mA判断为触电。
当判断触电时仪器会在0.3S内结束高压输出,退出测试状态,并显示(GFIFAIL)。
注:地线电流达30mA时,如果确实是触电的话,情况已经是非常严重了,会引起操作人员昏迷或死亡。所以在产品允许的情况下建议开启地线电流检测使用。
电流超限与电弧侦测(ARC)功能
电流超限分类:电流下限、电流上限、电流量程超限、电弧侦测。
电流下限判断(LOW):一般做为测试低端断开判断使用。当仪器测试设备时,设备肯定会有一定的漏电流,当仪器测试的漏电流小于下限设定电流值时认为测试失败(没有连接设备)如果被测元件本身漏电流很小则必须关闭此功能。超限时判断显示(LOWFAIL)电流上限判断(HIGH):很常用的测试电流超限判断。当仪器测试设备时,设备肯定会有一定的漏电流,当仪器测试的漏电流大于上限设定电流值时,认为设备耐压不够测试失败。
超限时判断显示(HIFAIL)电流量程超限:电流采样判断较慢,绝缘崩溃时电流变化较快采样电路无法及时作出反映,而电流峰值已经超过了上限电流所在的电流量程的测试范围,则会触发此类超限判断。由于电流超限后无法采集数据,此时的输出结果为合格时的很后一次测试结果,超限时判断显示(RANGFAIL)真实电流上限判断(REAL):一般情况被测设备是容性的,而测试电压为交流时电容本身会流过一定的电流,当电路的容性值的允许范围很大,容性电流大小又和测试结果无关时,可以选用真实电流判断,它只判断电流中和电压同相位的电流的大小,与容性电流无关。超限时判断显示(REALFAIL)。电弧侦测(ARC):是面向元件测量的一个很实用的功能,它测试的是高压测试回路中有局部电路瞬间打火引起的电流突变。
由于叠加在正常的测试电流上,突变时间较短,以上的普通电流检测电路无法响应电流变化作出合适的判断。电弧侦测电路滤除了正常电流值,只处理高速的电流脉冲变化。由于低通滤波和电弧的大小本身带有随机性,此功能只能大概估计局部打火的程度。由于电流超限后无法采集数据,此时的输出结果为合格时的很后一次测试结果,超限时判断显示(ARCFAIL)。
不合格判断
如果测试结果超出测试项目设定的条件,或者瞬间电流超过仪器可以承受的较大输出电流,仪器都会判断被测件不合格。并立即停止当前测试,切断电压输出,进入测试结果不合格的处理程序。
测试结果处理
如果测试过程出现超限,仪器会显示不合格判断(FAIL)和类别(见下图以 HI为例),不合格指示灯亮。(如果有多测试项目,不合格判断处理模式受 SYSTEM的 AFTR FAIL控制)
测试时间结束后测试结果判断为(PASS)。显示合格判断(PASS),合格指示灯亮。(合格判断处理模式受 SYSTEM的 PASS HOLD控制)。会自动转移到下一个测试项目,或者退回测试等待状态。从此状态开始到下一个项目开始高压启动前,客户可以用软件查询测试数据和结果。




